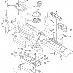
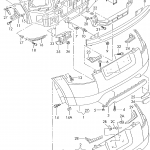
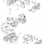
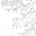
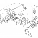
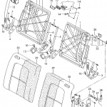
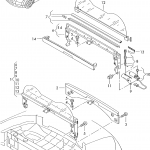
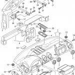
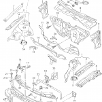
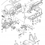
admin 3.2DSG图纸 8.车身 2020-06-24 3.2DSG车身图纸(1998–2006) (本站由TTMK1车主videohive强力驱动)站长微信:videohiveTTMK1 » 3.2DSG车身图纸(1998–2006)