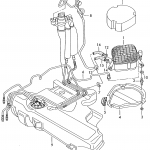
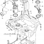
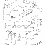
admin 2.燃油系统,排气系统 3.2DSG图纸 2020-06-24 3.2DSG燃油排气图纸(1998–2006) (本站由TTMK1车主videohive强力驱动)站长微信:videohiveTTMK1 » 3.2DSG燃油排气图纸(1998–2006)