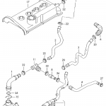
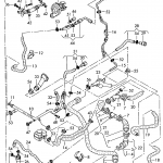
admin 1.发动机 2驱图纸 2020-06-24 2驱1.8T发动机图纸(1998–2006) (本站由TTMK1车主videohive强力驱动)站长微信:videohiveTTMK1 » 2驱1.8T发动机图纸(1998–2006)