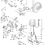
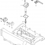
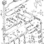
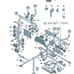
admin 4驱图纸 9.电气设备 2020-06-24 4驱1.8T电器设备图纸(1998–2006) (本站由TTMK1车主videohive强力驱动)站长微信:videohiveTTMK1 » 4驱1.8T电器设备图纸(1998–2006)